Skip to Main Content
Online City Services
Request City Services or File a Police Report
More information
City Services
Living Here
Business
Contact Us
How Do I...
Home
City Services
Departments
Building
Public Right Of Way Design Details & Standards
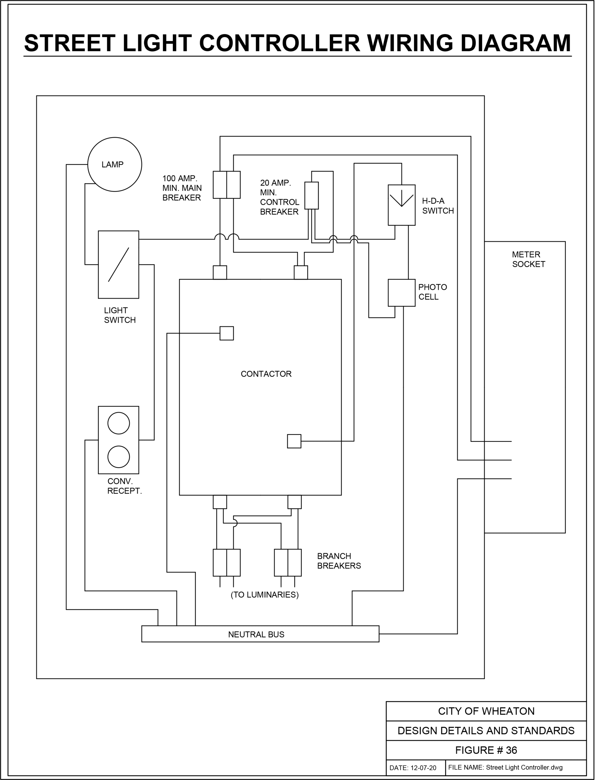
Street Light Controller Wiring Diagram
Street Light Controller Wiring Diagram
Catch Basin With Frame And Grate for Inlet
CBD Control Station Enclosure Elevations
Corner Parallel Curb Ramps for Sidewalks
Curb and Gutter Spcifications
Curbline Inlet or Catch Basin
Depressed Corner for Sidewalks
Diagonal Curb Ramps for Sidewalks
Drop Manhole Connection
Dry Well Specification
Entrance - Alley Pedestrian Crossings
Fire Hydrant and Valve Detail
Median Pedestrian Crossings
Mid-Block Curb Ramps for Sidewalks
Overflow Weir
Parkway Tree Planting Standards
Paver Brick Walkways
Perpendicular Curb Ramps for Sidewalks - Sheet 1
Perpendicular Curb Ramps for Sidewalks - Sheet 2
Pole Base Detail for CBD Specifications
Sanitary Manhole
Sanitary Manhole External Chimney Seal
Sanitary Manhole Internal Chimney Seal
Sanitary Sewer Service Connection Detail
Special Frame & Grate for Catch Basin & Inlet
State Specifications for Street Light Control St.
Storm Sewer Restrictor
Storm Sewer Service Connection Detail
Street Cut Repair Specifications
Street Light Cabinet Poles and Bases
Street Light Controller Wiring Diagram
Type A Storm Sewer Manhole
Type B Storm Sewer Manhole
Type D Ground Mounted Controller Cabinet
Type E Foundation for Poles Greater than 20'
Typical Minimum Street Section
Typical Street Light Detail - Page 1
Typical Street Light Detail - Page 2
Valve Box Setter - Page 1
Valve Box Setter - Page 2
Water Distribution Specifications
Water Service Connection Detail
Loading
Loading
Arrow Left
Arrow Right
[]
Slideshow Left Arrow
Slideshow Right Arrow